WECO-917C61,WECO-917C71 Elevator Light Curtain

1.Performance Parameter
| Model | 917C61 | 917C71 | 957C61 | 957C71 |
| Number of beams(Max.) | 94 | 154 | 94 | 154 |
| Pairs Of Infrared Diodes | 17 | 32 | 17 | 32 |
| Operating environment | -20℃——+65℃ | |||
| Light Immunity | 100000Lux | Sunlight Proof | ||
| Tolerance | Veltical: +/- 15mm,7°, Horizontal tolerance: +/- 3mm,5° |
|||
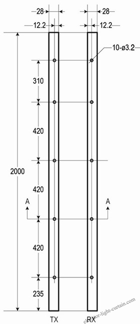
| Dimensions | H2000mm*W28mm*D16mm | |||
| Detecting height | 20mm-1800mm | |||
| Detecting range | 0-4m | |||
| Response time | 65ms | |||
| Signal output | Relay output (AC220V,AC110V,DC24V) or Transistor output (NPN,PNP) |
|||
LED Indicator Yellow LED ON, Red RED ON |
Blocked Or In Malfunction | |||
LED Indicator Yellow LED ON, Red RED OFF |
Without Blocked | |||
| Infra red diodes range | 118mm | 59mm | 118mm | 59mm |
| EN12015,EN12016 | General Circuit Level | General Circuit Level | Safety Circuit Level | Safety Circuit Level |
| Vibration | X-Y-Z three-axis each 2hrs,amplitude 0.35mm,frequency 10-55Hz |
|||
| Protection Level | IP54(TX,RX),IP31(Power box) | |||
| Environment Test(High / Low Temperature) | GB/T2423.1-GB/T2423.4 | |||
| Norm | EN81-70 | |||
2.Installation Drawing And Profile Size


