WECOMXB A Elevator Light Curtain

1.Performance Parameter
| Model | 917A61 | 957A8 | 957A9 |
| Number of beams(Max.) | 94 | 194 | 234 |
| Pairs Of Infrared Diodes | 17 | 40 | 48 |
| Operating environment | -20℃——+65℃ | ||
| Light Immunity | 100000Lux | Sunlight Proof | |
| Tolerance | Veltical: +/- 15mm,7°, Horizontal tolerance: +/- 3mm,5° |
||
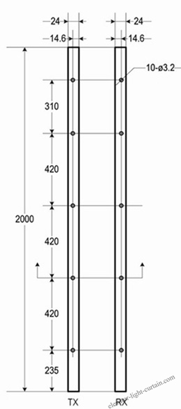
| Dimensions | H2000mm*W24mm*D11mm | ||
| Detecting height | 20mm-1800mm | 20mm-1900mm | |
| Detecting range | 0-4m | ||
| Response time | 65ms | 73ms | 81ms |
| Signal output | Relay output (AC220V,AC110V,DC24V) or Transistor output (NPN,PNP) |
||
LED Indicator Yellow LED ON, Red RED ON |
Blocked Or In Malfunction | ||
LED Indicator Yellow LED ON, Red RED OFF |
Without Blocked | ||
| Infra red diodes range | 118mm | 48mm | 40mm |
| EN12015,EN12016 | General Circuit Level | Safety Circuit Level | Safety Circuit Level |
| Vibration | X-Y-Z three-axis each 2hrs,amplitude 0.35mm,frequency 10-55Hz |
||
| Protection Level | IP54(TX,RX),IP31(Power box) | ||
| Environment Test(High / Low Temperature) | GB/T2423.1-GB/T2423.4 | ||
| Norm | EN81-70 | ||
2.Installation Drawing And Profile Size


